GUD型电动高真空球阀
GUD型电动高真空球阀是以电动装置为动力,驱动球阀来达到接通或切断真空系统管路中的介质流。阀门适用的工作介质为带酸、碱性的气体或液体。
GUD型电动高真空球阀技术性能:

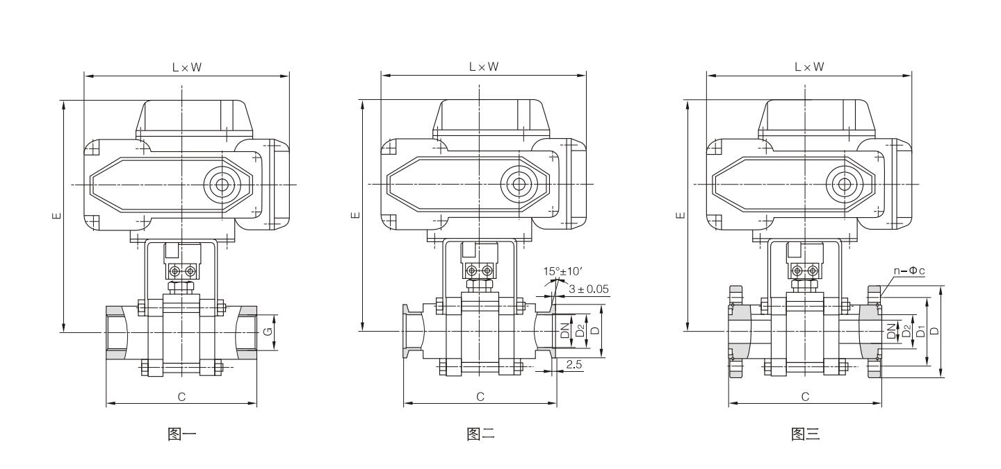
GUD型电动高真空球阀连接尺寸:

GUD型电动高真空球阀图纸:

【声明】:
以上文章或资料除注明为上海威尔顿阀门有限公司自创或编辑整理外,均为各方收集或网友推荐所得。其中摘录的内容以共享、研究为目的,不存在任何商业考虑。
目前网站上有些文章未注明作者或出处,甚至标注错误,此类情况出现并非不尊重作者及出处网站,而是因为有些资料来源的不规范。如果有了解作者或出处的原作者或网友,请告知,本网站将立即更正注明,并向作者道歉。
被摘录的对象如有任何异议,请与本站联系,联系邮箱szweierdun@126.com,本站确认后将立即撤下。谢谢您的支持与理解!
