G6B41J英标气动衬胶隔膜阀客户订购特殊尺寸仓库出货图解
G6B41J英标气动衬胶隔膜阀客户订购特殊尺寸:
常闭式英标气动隔膜阀的标准:
产品特点:W型 JFS型 EG6K41W、J、F-6、10、16型设计与制造按:GB12239或BS5156结构长度按:GB12221或BS5156法兰连接尺寸按:GB4216.4或BS4504试验与检验按:GB/T13927或BS5156常开式气动衬胶,常开式衬氟塑料隔膜阀
英标气动隔膜阀性能规范:
|
型号 |
公称压力 |
试验压力PS(Mpa) |
适用介质 |
工作温度(℃) |
|
|
- |
- |
||||
|
EG6B41WJFS-6 |
0.6 |
0.9 |
0.66 |
W.非腐蚀性流体 |
≤100 |
|
EG6B41WJFS-10 |
1.0 |
1.5 |
1.1 |
||
|
EG6B41WJFS-16 |
1.6 |
2.4 |
1.76 |
||
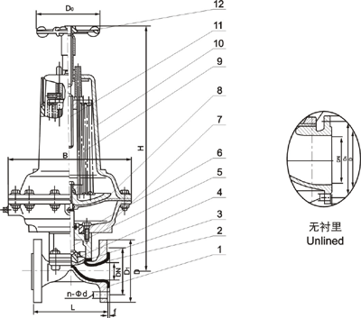
英标气动隔膜阀结构尺寸图:
G6B41J英标气动衬胶隔膜阀仓库发货现场图:




英标气动隔膜阀外形连接尺寸及重量:
|
型号 |
公称通径 |
尺寸(mm) |
气动装置 |
质量 |
|||||||||||
|
L |
f |
D1 |
D |
D0 |
n-d |
H |
B |
代号 |
耗气量(cm3) |
气源压力(MPa) |
气源接头(in) |
||||
|
J型 |
W型 |
||||||||||||||
|
EG6B41WJFS-16 |
20 |
121 |
117 |
2 |
75 |
105 |
140 |
4-13.5 |
343 |
168 |
68 |
163.87 |
0.3 |
1/8 |
6.3 |
|
25 |
131 |
127 |
2 |
85 |
115 |
140 |
4-13.5 |
345 |
168 |
68 |
196.65 |
0.3-0.4 |
1/8 |
7.3 |
|
|
32 |
150 |
146 |
2 |
100 |
140 |
140 |
4-17.5 |
363 |
260 |
68 |
229.4 |
0.3-0.4 |
1/8 |
8.3 |
|
|
40 |
163 |
159 |
2 |
110 |
150 |
140 |
4-17.5 |
430 |
260 |
69 |
1458.7 |
0.3-0.4 |
1/4 |
14.3 |
|
|
50 |
194 |
190 |
2 |
125 |
165 |
140 |
4-17.5 |
575 |
260 |
70 |
3162.7 |
0.3-0.4 |
1/4 |
26 |
|
|
EG6B41WJFS-10 |
65 |
220 |
216 |
2 |
145 |
185 |
140 |
4-17.5 |
588 |
260 |
70 |
3243 |
0.3-0.4 |
1/4 |
30.8 |
|
80 |
258 |
254 |
2 |
160 |
200 |
165 |
8-17.5 |
769 |
425 |
71 |
6636.8 |
0.4-0.5 |
3/8 |
64.9 |
|
|
100 |
309 |
305 |
2 |
180 |
220 |
280 |
8-17.5 |
816 |
425 |
71 |
6948 |
0.4-0.5 |
3/8 |
70.3 |
|
|
125 |
362 |
356 |
3 |
210 |
250 |
280 |
8-17.5 |
820 |
425 |
71 |
7374.2 |
0.4-0.5 |
3/8 |
80.7 |
|
|
150 |
412 |
406 |
3 |
240 |
285 |
280 |
8-22 |
920 |
549 |
72 |
10652 |
0.5 |
3/8 |
131.2 |
|
|
EG6B41WJFS-6 |
200 |
527 |
521 |
4 |
295 |
340 |
280 |
8-22 |
1010 |
549 |
72 |
16715 |
0.5 |
3/8 |
212 |
注:1、供应EG6B41J隔膜阀,铸钢气动隔膜阀,常开式气动隔膜阀,气动隔膜阀尚可附装反馈信号、限位器或定位器,以适应自近控、程控或调节流量的需要。
2、气动阀门的反馈信号采用无触点传感技术。
3、采用气缸活塞式。
4、当气源发生故障时,可操作手轮使阀门开启
【声明】:
以上文章或资料除注明为上海威尔顿阀门有限公司自创或编辑整理外,均为各方收集或网友推荐所得。其中摘录的内容以共享、研究为目的,不存在任何商业考虑。
目前网站上有些文章未注明作者或出处,甚至标注错误,此类情况出现并非不尊重作者及出处网站,而是因为有些资料来源的不规范。如果有了解作者或出处的原作者或网友,请告知,本网站将立即更正注明,并向作者道歉。
被摘录的对象如有任何异议,请与本站联系,联系邮箱szweierdun@126.com,本站确认后将立即撤下。谢谢您的支持与理解!
