服务热线
021-51061185
18964118897
| 产品名称 | 手动法兰陶瓷刀闸阀 |
| 规格型号 | PZ73TC-16C |
| 连接方式 | 对夹式 |
| 结构形式 | 闸板型 |
| 驱动方式 | 手动 |
| 公称通径 | DN50-DN500 |
| 公称压力 | 1.0mpa~1.6mpa |
| 阀体材质 | 铸铁,铸钢,不锈钢 |
| 联系方式 | 021-51061185 18964118897 白经理 |
| 官网 | http://www.0755fm.com |
| 生产厂家 | 上海威尔顿阀门有限公司 |
PZ73H、F、Y-16C PZ73TC-16C 手动法兰陶瓷刀闸阀DN125、DN150、DN250概述:
陶瓷刀型闸阀它的启闭件是闸板,闸板的运动方向与流体方向相垂,靠可以切割纤维材料的刀刃形闸板来切断介质。陶瓷刀型闸阀阀体实际上不存在腔室,闸板在侧 面导向槽内升降,并由底部的凸耳紧压在阀座上,其阀座和刀闸板表面均覆盖陶瓷材料,是一种新型 耐磨损、耐腐蚀、耐高温阀门,适用于灰渣、泥渣、矿浆、污水等固体,液固混物、气固二相介质的输送系统。尤其适用于火力发电厂、石子煤系统。 陶瓷刀型闸阀,也叫陶瓷刀形闸阀、陶瓷刀形闸阀。它的启闭件是闸板,闸板的运动方向与流体方向相垂直,靠可以切割纤维材料的刀刃形闸板来切断介质。陶瓷刀闸 阀阀体实际上不存在腔室,闸板在侧面导向槽内升降,并由底部的凸耳紧压在阀座上,如需达到较高的介质密封性时,可选用O形密封阀座实现双向密封。
PZ73TC-16C 手动法兰陶瓷刀闸阀工作原理:
陶瓷刀型闸阀只能作全开和全关,不能作调节和节流。密封面可以只依靠介质压力来密封,即依靠介质压力将闸板的密封面压向另一侧的阀座来保证密封面的密封,这就是自密封。大部分刀型闸阀是采用强制密封的,即阀门关闭时,要依靠外力强行将闸板压向阀座,以保证密封面的密封性。
PZ73TC-16C 手动法兰陶瓷刀闸阀主要性能规范
1.密封面材料:结构陶瓷或超硬表面合金材料二种。
2.用煤渣、灰渣等气、固混合介质,闸板、阀座和流道部位采用了结构陶瓷材料制造,耐磨损、长寿命。
3.密封性能*,并可进行密封棉修得。
4.进口阀座可作刮灰板,即使在落灰情况下也关闭自如。
5.阀体腔体结构*避免了卡阻、积灰的问题。
6.驱动方式:手动、气动和电动等。
应用规范:
| 设计与制造 | GB/T 8691 | |
| 连接端尺寸 | 结构长度 | GB/T 15188.2 |
| 法兰尺寸 | JB/T 79.1 | |
| 检验与试验 | JB/T 8691 | |
| 材料 | 碳钢 | GB/T 12229 |
| 不锈钢 | GB/T 12230 | |
| 标志 | GB/T 12220 | |
| 供货 | GB/T 12252 | |
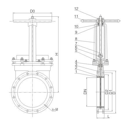
PZ73TC-16C 手动法兰陶瓷刀闸阀零件材料:
| 序号 | 名称 | 材料 | 序号 | 名称 | 材料 |
| 1 | 阀座 | 结构陶瓷 | 7 | 阀杆 | 2Cr13 |
| 2 | 阀体 | WCB | 8 | 支架 | WCB |
| 3 | 阀板 | 304+结构陶瓷 | 9 | 螺母 | 青铜 |
| 4 | 填料 | 柔性石墨 | 10 | 轴承 | |
| 5 | 填料压盖 | WCB | 11 | 手轮 | Qt400 |
| 6 | 锁轴 | 2Cr13 | 12 | 圆螺母 | 25# |
PZ73TC-16C 手动法兰陶瓷刀闸阀外形结构图:

PZ73TC-16C 手动法兰陶瓷刀闸阀连接尺寸:
| DN | PN(Mpa) | L | D | D1 | D2 | H | n-M | D0 | b |
| 50 | 1.0 | 43 | 165 | 125 | 100 | 285 | 4-M16 | 180 | 12 |
| 65 | 46 | 185 | 145 | 120 | 295 | 4-M16 | 180 | 12 | |
| 80 | 46 | 200 | 160 | 135 | 315 | 8-M16 | 220 | 12 | |
| 100 | 52 | 220 | 180 | 155 | 365 | 8-M16 | 220 | 12 | |
| 125 | 56 | 250 | 210 | 185 | 400 | 8-M16 | 230 | 12 | |
| 150 | 56 | 285 | 240 | 210 | 475 | 8-M20 | 280 | 14 | |
| 200 | 60 | 340 | 295 | 265 | 540 | 12-M20 | 360 | 14 | |
| 250 | 68 | 405 | 355 | 320 | 630 | 12-M24 | 360 | 16 | |
| 300 | 78 | 460 | 410 | 375 | 780 | 12-M24 | 400 | 16 | |
| 350 | 90 | 520 | 470 | 435 | 885 | 16-M24 | 400 | 16 | |
| 400 | 90 | 580 | 525 | 485 | 990 | 16-M27 | 400 | 18 | |
| 450 | 90 | 640 | 585 | 545 | 1100 | 20-M27 | 530 | 18 | |
| 500 | 114 | 715 | 650 | 608 | 1200 | 20-M30 | 530 | 18 | |
威尔顿阀门服务体系(以下简称我司)
随着经济高速发展,市场竞争越来越激烈,用户对阀门产品的要求也越来越多,并且对服务的要求也越来越高;因为,我司销售部门为适应市场发展的要求,专业设立了服务培训组,为服务质量添加完善的工作,我公司的售前,售中,售后服务工作经由专业的销售员来完成。
一、售前服务:
做到技术与销售的顶尖结合服务,让用户的每一次采购都有服务的体验。
①进行采购前产品技术沟通和交流,主动给予建议。
②在进行产品型号选择时考虑是否成本合理工矿效率等问题。
③不能达到工矿要求时,根据客户的特殊要求,安排设计师合理改善。
二、售中服务:
尊重每位用户;给用户一份轻松,放心的整体价值服务。
①进行性价比:比价格,比质量,比服务,反思是否有不做到位的地方。
②严格按相关标准和技术要求进行阀门的检测和试验。
③在合作过程中,依照合同,保质保量准时交货,随时保持与用户联系。
④定制期间,相关技术人员可来我司进行产品监造和检验,同时,我司会提供该产品的结构图及详细文件资料,来做监造文件。
⑤对特殊工矿或定做的产品,可协商专业技术员亲临现场指导。
⑥我公司在发货前以电话进行产品型号、口径、数量、件数的确认。
三、售后服务:
好的服务铸就好的企业让客户无后顾之忧。
①按合同要求提供产品的合格证,检验报告、安装说明书等。
②顾客在验收产品过程中,如出现与合同要求不符时,我司接到顾客通知后两小时内给予处理。
③我司提供十二个月的产品质保期,时间从验收合格之日起计算。
④在正确安装和使用下,出现产品质量问题,本公司将负责到底。
包修包换承诺:
①在正常的储运、安装、保养、使用条件下,因产品的质量问题不能正常使用时,提供三保四包:保质、保量、保及时、包修、包换、包退、包损失。
②在接到质量信息反馈时,将在24小时内提出处理意见,并做到100小时内赶到现场做处理
③可根据用户需求协商提供备品、备件和安装、调试、维修服务。
@2023 上海威尔顿阀门有限公司 沪ICP备14020800号-1