服务热线
021-51061185
18964118897
| 产品名称 | H40F浮球式止回阀 |
| 规格型号 | H40F |
| 连接方式 | 法兰 |
| 结构形式 | 浮球式 |
| 驱动方式 | 手动 |
| 公称通径 | DN15-DN250 |
| 公称压力 | 0.6-1.6MPA |
| 阀体材质 | 铸钢,不锈钢 |
| 联系方式 | 021-51061185 18964118897 白经理 |
| 官网 | http://www.0755fm.com |
| 生产厂家 | 上海威尔顿阀门有限公司 |
H40F46衬氟浮球式止回阀是升降式立式止回阀,适应于立式管道的安装,适用在-50℃~150℃的各种浓度的王水、硫酸、盐酸、氢氟酸和各种有机酸、强酸、强氧化剂,FEP立式衬氟止回阀还适用于各种浓度的强碱有机溶剂以及其它腐蚀性气体、液体介质的管路上使用。
制造标准:
设计标准:符合企业标准
结构长度:GBl 2221
法兰标准:JB/Y79-94 GB91131-26
公称压力:10、16、2.5MPa
检验试验:JB/Y9092-99
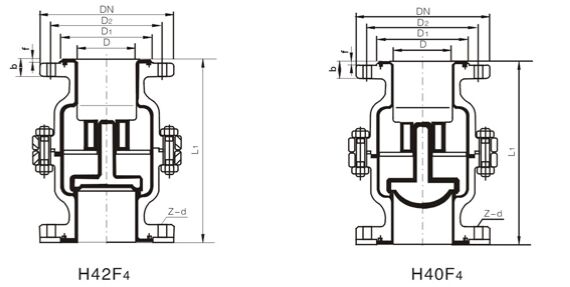
主要连接尺寸及重量:
|
公称通径(mm) |
L1 |
L2 |
D |
D1 |
D2 |
f |
b |
H |
Z-cl |
重量(kg) |
|
PNl.0MPa |
||||||||||
|
15 |
80 |
130 |
95 |
65 |
45 |
2 |
14 |
82 |
4-14 |
4 |
|
20 |
90 |
150 |
105 |
75 |
55 |
2 |
16 |
82 |
4-14 |
5 |
|
25 |
100 |
160 |
115 |
85 |
65 |
2 |
16 |
98 |
4-14 |
6 |
|
32 |
110 |
180 |
135 |
100 |
78 |
3 |
16 |
110 |
4-18 |
7.5 |
|
40 |
125 |
200 |
145 |
110 |
85 |
3 |
17 |
118 |
4-18 |
9.5 |
|
50 |
140 |
230 |
160 |
125 |
100 |
3 |
18 |
138 |
4-18 |
13 |
|
65 |
160 |
290 |
180 |
145 |
120 |
3 |
20 |
156 |
4-18 |
19.5 |
|
80 |
185 |
310 |
195 |
160 |
135 |
3 |
22 |
160 |
4-18 |
27 |
|
100 |
210 |
350 |
215 |
180 |
155 |
3 |
22 |
185 |
8-18 |
35 |
|
125 |
300 |
400 |
245 |
210 |
185 |
3 |
24 |
208 |
8-18 |
56 |
|
150 |
380 |
480 |
280 |
240 |
210 |
3 |
24 |
245 |
8-23 |
75 |
|
200 |
356 |
600 |
335 |
295 |
265 |
3 |
26 |
298 |
8-23 |
118 |
|
250 |
457 |
730 |
390 |
350 |
320 |
4 |
28 |
342 |
12-23 |
165 |
|
PNl.6MPa |
||||||||||
|
15 |
80 |
130 |
95 |
65 |
45 |
2 |
15 |
82 |
4-14 |
4 |
|
20 |
90 |
150 |
105 |
75 |
55 |
2 |
16 |
82 |
4-14 |
5 |
|
25 |
100 |
160 |
115 |
85 |
65 |
2 |
16 |
98 |
4-14 |
6 |
|
32 |
110 |
180 |
135 |
100 |
78 |
3 |
16 |
110 |
4-18 |
7.5 |
|
40 |
125 |
200 |
145 |
110 |
85 |
3 |
17 |
118 |
4-18 |
9.5 |
|
50 |
140 |
230 |
160 |
125 |
100 |
3 |
18 |
138 |
4-18 |
13 |
|
65 |
160 |
290 |
180 |
145 |
120 |
3 |
20 |
156 |
4-18 |
19.5 |
|
80 |
185 |
310 |
195 |
160 |
135 |
3 |
22 |
160 |
8-18 |
27 |
|
100 |
210 |
350 |
215 |
180 |
155 |
3 |
24 |
185 |
8-18 |
35 |
|
125 |
300 |
400 |
245 |
210 |
185 |
3 |
26 |
208 |
8-18 |
56 |
|
150 |
380 |
480 |
280 |
240 |
210 |
3 |
28 |
245 |
8-23 |
75 |
|
200 |
356 |
600 |
335 |
295 |
265 |
3 |
30 |
298 |
12-23 |
118 |
|
250 |
457 |
730 |
405 |
355 |
320 |
4 |
30 |
342 |
12-25 |
165 |
|
PN2.5MPa |
||||||||||
|
15 |
80 |
130 |
95 |
65 |
45 |
2 |
16 |
82 |
4-14 |
6.5 |
|
20 |
90 |
150 |
105 |
75 |
55 |
2 |
16 |
82 |
4-14 |
7 |
|
25 |
100 |
160 |
115 |
85 |
65 |
2 |
16 |
98 |
4-14 |
8 |
|
32 |
110 |
180 |
135 |
100 |
78 |
3 |
18 |
110 |
4-18 |
11 |
|
40 |
125 |
200 |
145 |
125 |
85 |
3 |
18 |
118 |
4-18 |
15 |
|
50 |
140 |
230 |
160 |
110 |
100 |
3 |
20 |
138 |
4-18 |
17.5 |
|
65 |
160 |
290 |
180 |
145 |
120 |
3 |
22 |
156 |
8-18 |
26 |
|
80 |
185 |
310 |
195 |
160 |
135 |
3 |
22 |
160 |
8-18 |
36 |
|
100 |
210 |
350 |
230 |
190 |
160 |
3 |
24 |
185 |
8-23 |
44 |
|
125 |
300 |
400 |
270 |
220 |
188 |
3 |
28 |
208 |
8-25 |
60 |
|
150 |
380 |
480 |
300 |
250 |
218 |
3 |
30 |
245 |
8-25 |
81 |
|
200 |
356 |
600 |
360 |
310 |
278 |
3 |
34 |
298 |
12-25 |
137 |
|
250 |
457 |
730 |
425 |
370 |
332 |
4 |
36 |
342 |
12-30 |
173 |
H40F浮球式止回阀结构图:
威尔顿阀门服务体系(以下简称我司)
随着经济高速发展,市场竞争越来越激烈,用户对阀门产品的要求也越来越多,并且对服务的要求也越来越高;因为,我司销售部门为适应市场发展的要求,专业设立了服务培训组,为服务质量添加完善的工作,我公司的售前,售中,售后服务工作经由专业的销售员来完成。
一、售前服务:
做到技术与销售的顶尖结合服务,让用户的每一次采购都有服务的体验。
①进行采购前产品技术沟通和交流,主动给予建议。
②在进行产品型号选择时考虑是否成本合理工矿效率等问题。
③不能达到工矿要求时,根据客户的特殊要求,安排设计师合理改善。
二、售中服务:
尊重每位用户;给用户一份轻松,放心的整体价值服务。
①进行性价比:比价格,比质量,比服务,反思是否有不做到位的地方。
②严格按相关标准和技术要求进行阀门的检测和试验。
③在合作过程中,依照合同,保质保量准时交货,随时保持与用户联系。
④定制期间,相关技术人员可来我司进行产品监造和检验,同时,我司会提供该产品的结构图及详细文件资料,来做监造文件。
⑤对特殊工矿或定做的产品,可协商专业技术员亲临现场指导。
⑥我公司在发货前以电话进行产品型号、口径、数量、件数的确认。
三、售后服务:
好的服务铸就好的企业让客户无后顾之忧。
①按合同要求提供产品的合格证,检验报告、安装说明书等。
②顾客在验收产品过程中,如出现与合同要求不符时,我司接到顾客通知后两小时内给予处理。
③我司提供十二个月的产品质保期,时间从验收合格之日起计算。
④在正确安装和使用下,出现产品质量问题,本公司将负责到底。
包修包换承诺:
①在正常的储运、安装、保养、使用条件下,因产品的质量问题不能正常使用时,提供三保四包:保质、保量、保及时、包修、包换、包退、包损失。
②在接到质量信息反馈时,将在24小时内提出处理意见,并做到100小时内赶到现场做处理
③可根据用户需求协商提供备品、备件和安装、调试、维修服务。
@2023 上海威尔顿阀门有限公司 沪ICP备14020800号-1