产品展示

Q911N电动高压丝口球阀

更新时间:2026-03-30 11:47:04
产品名称 Q911N电动高压丝口球阀
规格型号 Q911N
连接方式 内螺纹
结构形式 浮动直通
驱动方式 电动
公称通径 DN6-DN50
公称压力 16.0MPa-32.0MPa
阀体材质 不锈钢,锻钢,铸钢
联系方式 021-51061185 18964118897 白经理
官网 http://www.0755fm.com
生产厂家 上海威尔顿阀门有限公司
Q911N电动高压丝口球阀产品概述:

高压电动球阀是由锻钢高压球阀阀体及角行程电动执行器组成。电动高压球阀以AC220VAC380VDC24V电源电压作动力,接受(4-20mA0-10mA1-5VDC)电流信号或电压信号,即可控制运转,以角行程输出的扭矩转动球体0~90°,就能完成启闭动作或调节动作。电动高压球阀主要零部件上海威尔顿阀门锻制,克服了铸钢阀门潜在的缺陷,在Z大工作压力下能够保持其结构的抗压均匀性。适用介质:水、油等

1、适用于两位切断、调节的场合
3、密封性能优良、流通能力大、装卸维护方便、流阻小、密封可靠,甚至切断
3、可实现对石油、化工、造纸、冶金、污水处理、油罐车等运输管道内介质的切断和流通
4、电动高压球阀体积小、重量轻、推力大、功能强、伺服放大器内装、操作方便、可靠性高
5、直连方式,电动执行机构内置伺服系统,无须另配伺服放大器
6、流向可任意,可调范围广,能用于高压和大口径场合,控制高粘度,带有纤维和细颗粒的介质

主要零件材料

零件名称

阀体

球体

阀杆

密封圈

RQ911N-100C 
RQ911N-160C 
RQ911N-320C 
 

35/45

1Cr18

1Cr18Ni9Ti

尼龙

RQ911N-100P 
RQ911N-160P 
RQ911N-320P

304/1Cr18Ni9Ti

304/1Cr18Ni9Ti

RQ911N-100R 
RQ911N-160R 
RQ911N-320R

316/1Cr18Ni12Mo2Ti

316/1Cr18Ni9Ti

主要尺寸(美标) 600Lb 900Lb

口径

d

L

L1

H

W

D

L3

流量

总长

中段瓣总长

中心高度

手柄长度

半插口

有效长度

NPT3/8"

10

100

60

62

150

1280

10

NPT1/2"

14

100

60

65

150

21.85

10

NPT3/4"

19

140

80

74

180

27.30

13

NPT1"

24

140

80

80

180

34.05

13

NPT11/4"

31

160

90

95

255

42.80

13

NPT11/2"

39

180

100

98

255

48.80

13

NPT2"

48

200

110

108

255

61.35

16

NPT21/2"

63

-

-

-

-

74.20

16

NPT3"

78

-

-

-

-

90.15

16

NPT4"

98

-

-

-

-

115.80

 

采用:ASMEB16.11-1991标准

 主要尺寸(国标)

公称通径

Q11N-100/160Q11N-100/160P

Q11N-320Q11N-320P

管螺纹

尺寸(mm

管螺纹

尺寸(mm

d

L

H

W

E

H

W

SW

L

6

1/4

11

70

43

108

42.5

-

-

-

-

70

10

3/8

11

70

43

108

42.5

-

-

-

-

-

15

1/2

11

85

43

108

42.5

1/2

68

130

41

85

20

3/4

14

95

45.5

146

47.5

3/4

77

180

46

95

25

1

21

105

59.5

146

52.5

1

82

180

55

105

32

1 1 /4

25

120

64.5

146

60

1 1 /4

115

300

70

120

40

1 1 /2

32

130

76

254

65

1 1 /2

120

300

80

130

50

2

38

150

81

254

75

2

130

300

100

150

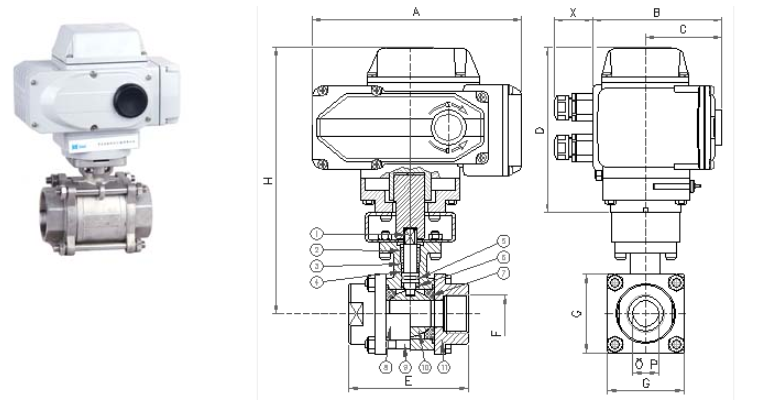
Q911N电动高压丝口球阀结构图:

Q911N电动高压丝口球阀结构图


本页URL,复制给好友:
订货流程:
1、客户采购清单传真至021-51079320或来电咨询021-51061185或发邮箱shweierdun@163.com
2、收到客户采购清单,为客户提供阀门型号选型与报价(价格清单).
3、具体商定:交货期、特殊要求等事宜.

订货须知:
1、 客户如对产品有特殊要求,须在订货合同中提供以下说明:
a.结构长度;
b.连接形式;
c.公称直径;
d.产品使用介质及温度、压力范围;
e.试验、检验标准及其他要求。
2、 本厂可根据客户特定要求配置各类驱动装置。
3、 如由客户提供确定的阀门类型和型号时,客户应正确说明其型号的含义和要求,在供需双方理解一致的条件下签订合同。
4、 期货、订货的客户请先来电函详细告诉所需的阀门型号、规格、数量以及交货时间、地点。并预付合同总额的30%货款,供方即备料生产。

威尔顿阀门服务体系(以下简称我司)
随着经济高速发展,市场竞争越来越激烈,用户对阀门产品的要求也越来越多,并且对服务的要求也越来越高;因为,我司销售部门为适应市场发展的要求,专业设立了服务培训组,为服务质量添加完善的工作,我公司的售前,售中,售后服务工作经由专业的销售员来完成。
一、售前服务:
做到技术与销售的顶尖结合服务,让用户的每一次采购都有服务的体验。
①进行采购前产品技术沟通和交流,主动给予建议。
②在进行产品型号选择时考虑是否成本合理工矿效率等问题。
③不能达到工矿要求时,根据客户的特殊要求,安排设计师合理改善。
二、售中服务:
尊重每位用户;给用户一份轻松,放心的整体价值服务。
①进行性价比:比价格,比质量,比服务,反思是否有不做到位的地方。
②严格按相关标准和技术要求进行阀门的检测和试验。
③在合作过程中,依照合同,保质保量准时交货,随时保持与用户联系。
④定制期间,相关技术人员可来我司进行产品监造和检验,同时,我司会提供该产品的结构图及详细文件资料,来做监造文件。
⑤对特殊工矿或定做的产品,可协商专业技术员亲临现场指导。
⑥我公司在发货前以电话进行产品型号、口径、数量、件数的确认。
三、售后服务:
好的服务铸就好的企业让客户无后顾之忧。
①按合同要求提供产品的合格证,检验报告、安装说明书等。
②顾客在验收产品过程中,如出现与合同要求不符时,我司接到顾客通知后两小时内给予处理。
③我司提供十二个月的产品质保期,时间从验收合格之日起计算。
④在正确安装和使用下,出现产品质量问题,本公司将负责到底。
包修包换承诺:
①在正常的储运、安装、保养、使用条件下,因产品的质量问题不能正常使用时,提供三保四包:保质、保量、保及时、包修、包换、包退、包损失。
②在接到质量信息反馈时,将在24小时内提出处理意见,并做到100小时内赶到现场做处理
③可根据用户需求协商提供备品、备件和安装、调试、维修服务。

服务热线

021-51061185

18964118897

微信名片